近日,我校海洋学院李效龙教授团队在生物医疗电路与系统顶级期刊IEEE Transactions on Biomedical Circuits and Systems上发表了双栏16页的长文“A LFP/AP Mode Reconfigurable Analog Front-end Combining an Electrical EEEG-iEEG Model for the Closed-loop VNS”。海洋学院研究生任森林、李小伟、赵天宇,教师邓小乔、郑威为论文共同作者。
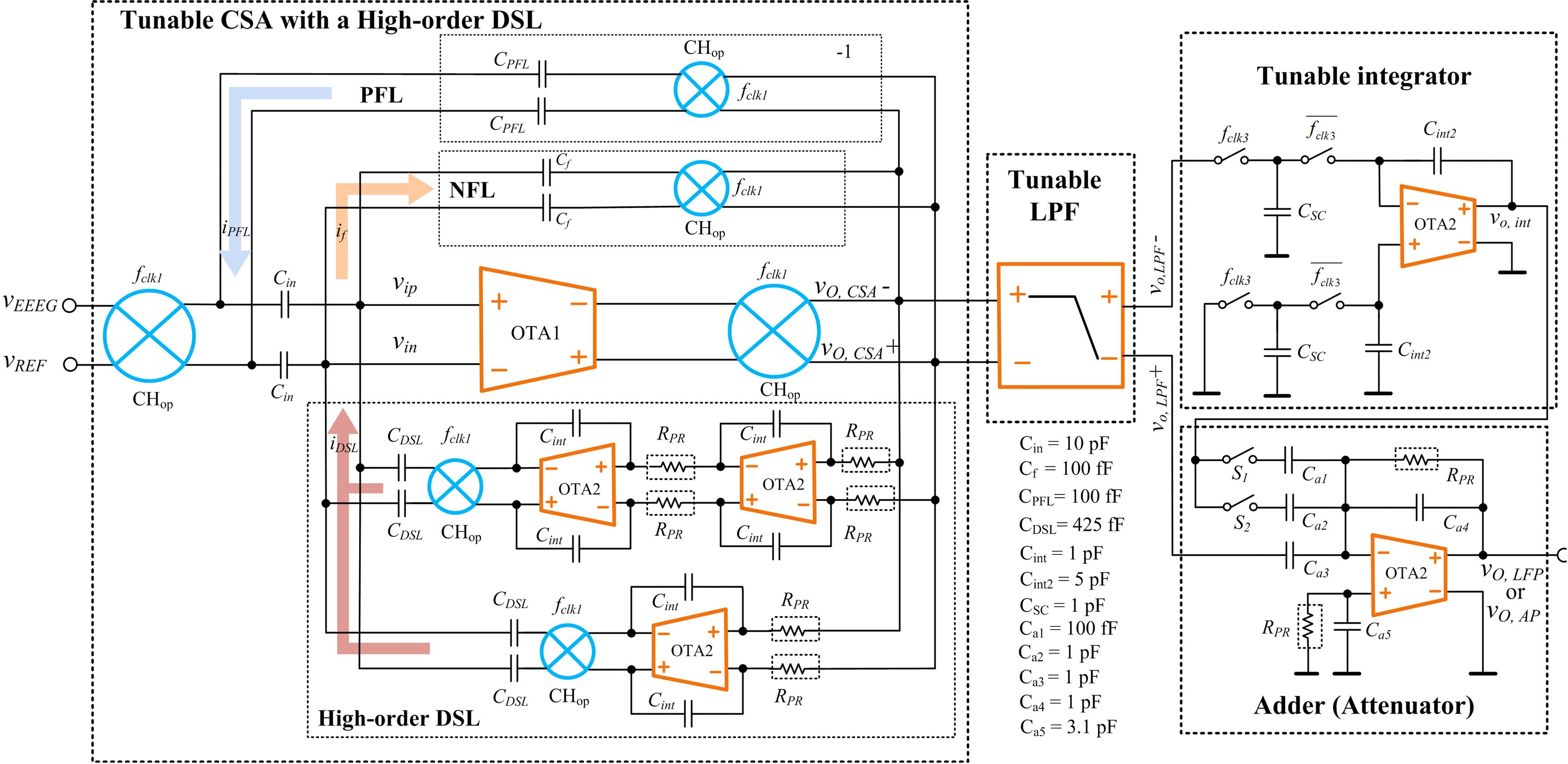
采用颅内脑电(Intracranial electroencephalogram, iEEG)构建的闭环迷走神经刺激器具有癫痫发作检测准确率高的特点。不幸的是,记录iEEG需要开颅手术来植入记录电极,创伤较大。针对这一问题,该团队提出了一种iEEG在头部各组织中传导为扩展头皮脑电(Extended electroencephalogram, EEEG)的电模型(iEEG-EEEG),据此推导出其逆模型(EEEG-iEEG),以实现从EEEG重构iEEG。进一步地,结合EEEG-iEEG模型,设计了一种新型的闭环迷走神经刺激器前端电路(图1)。
基于中芯国际SMIC 0.18µm CMOS Mixed Signal 工艺,研制了闭环迷走神经刺激器(CLNS)芯片,取名JUST-CLNS(Jiangsu University of Science and Technology-Closed loop Neuro-stimulator,图2)。JUST-CLNS含4通道闭环迷走神经刺激器前端电路和2通道神经刺激脉冲发生器。

图1结合EEEG-iEEG模型的闭环迷走神经刺激器前端电路

图2 JUST_CLNS 芯片
据悉,团队此前已在IEEE Circuits and Systems Magzine(2022年)以及IEEE Transactions on Circuits and Systems-I: Regular Papers(2012年)分别发表了论文。至此,该团队已在IEEE电路与系统的三大期刊上均有论文发表。



